FL40075
Most Recent Revision
FL40075-R12
Revision Folder
Manufacturer
Report Status
Approved
Code
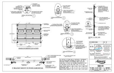
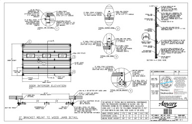
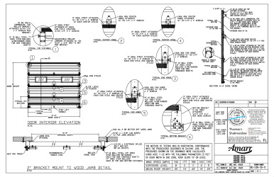
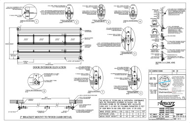
2023 Florida Building Code
Validator
Steven M. Urich, PE
Approvals in this folder:
Revision History
FL40075-R11
Revision Folder
FL40075-R10
Revision Folder
FL40075-R9
Revision Folder
FL40075-R8
Revision Folder
FL40075-R7
Revision Folder
FL40075-R6
Revision Folder
FL40075-R5
Revision Folder
FL40075-R4
Revision Folder
FL40075-R3
Revision Folder
FL40075-R2
Revision Folder
FL40075-R1
Revision Folder
FL40075-R0
Revision Folder
Manufacturer Info
Amarr Garage Doors/Entrematic, established in 1951, is a leading manufacturer of premium garage doors and access systems for residential, commercial, industrial, and agricultural applications. Headquartered in Winston-Salem, North Carolina, the company is renowned for its innovative designs, superior quality, and exceptional customer service, offering a wide range of garage door styles, materials, and automation options to suit diverse requirements and preferences. View all listings
* This manufacturer has not claimed their profile. Any logo or description displayed above has been generated by AI.
Folder QR Code
Shopping Cart
