Search from thousands of Florida, Miami-Dade & other Engineering Plans. Search all at once, save, share, & monitor listings, all for free.
Sign Up - Look inside Approval content with our DeepSearch reports -
Learn More
Database:
CA-LADBS Approval
Description:
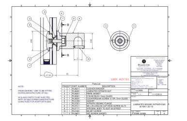
Pilkington Planar 905 Glazing Support Fittings
Possible CSI Codes:
CSI Code: 08 44 33 - Sloped Glazing Assemblies
CSI Code: 08 01 80 - Maintenance of Glazing
CSI Code: 08 85 00 - Glazing Accessories
CSI Code: 08 88 39 - Pressure-Resistant Glazing
CSI Code: 08 01 84 - Maintenance of Plastic Glazing
Change Log effective March 1st 2023
Approval & Installation Documents
25782-2020LABC-09-14-2020
View
Download
25782-IFX00661 FITTING DETAIL
View
Download
Please log in & make sure your email is verified before viewing & downloading documents.
Thanks! You can now access your file with the button below.
You may also access all other files without any more popups.
Access File
A free account unlocks:
Access additional search features
Save & share searches
Search all databases at the same time
Monitor new listings
Track listing updates
Access download history
Create projects & organize approvals
Stay up to date with new features & industry news
A free account unlocks:
Save & share searches
Access additional search features
Search all databases at the same time
Monitor new listings Learn More
Track listing updates Learn More
Access download history
Create projects & organize approvals
Stay up to date with new features & industry news
Add Listing to Collection(s):
Added to favorites
Please create an account to use this feature