FL10172.2-R8
Report Status
Approved
Code Version
2017 Florida Building Code
Application Type
Affirmation
Folio:
Model:
IDG-CA 8484
Manufacturer:
Database:
Florida Product Approval
Source Link:
Description:
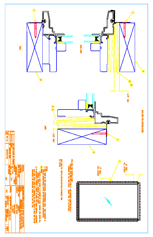
Integrity Direct Glaze, Fiberglass Clad Wood Fixed Window, 407-H-876.62
Listing Details
Specifications
Submission Date:
October 10, 2017
Validation Date:
October 10, 2017
Design Pressures:
-55psf / +55psf
Possible CSI Codes:
CSI Code: 08 01 52.61 - Wood Window Repairs
CSI Code: 08 52 16 - Plastic-Clad Wood Windows
CSI Code: 08 52 13 - Metal-Clad Wood Windows
CSI Code: 08 52 00 - Wood Windows
CSI Code: 08 01 52.81 - Wood Window Replacement
Other:
Maximum size: 84" x 84". Configurations of glass meet E1300. Tested IG make-up 5.7mm/11.5mm airspace/5.7mm.
Notes:
Date Submitted: October 10, 2017
Date Validated: October 10, 2017
Entity: Window and Door Manufacturer Association
Compliance Method: Certification Mark or Listing
Other: Maximum size: 84" x 84". Configurations of glass meet E1300. Tested IG make-up 5.7mm/11.5mm airspace/5.7mm.
Official Site Status: Approved
Subcategory: Fixed
Contact Information
Representative:
Cheryl Hill
Address:
Hwy 11 West,
Warroad, Minnesota 56763 USA
Warroad, Minnesota 56763 USA
Phone:
Website:
Listing Changes
Last Synced: 03/12/2026
Change Log effective March 1st 2023
Please sign in or create an account to view listing changes
Approval & Installation Documents

PR CERTIFICATE FL10172 R8 C CAC 407-H-876

PR INSTL DOCS FL10172 R8 II EXPORT 00038197
QR Code To This Listing