Search from thousands of Florida, Miami-Dade & other Engineering Plans. Search all at once, save, share, & monitor listings, all for free.
Sign Up - Look inside Approval content with our DeepSearch reports -
Learn More
Model:
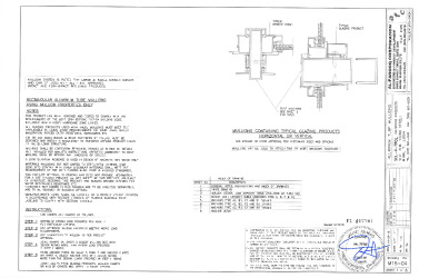
Clipped Aluminum Tube Mullion
Database:
Florida Product Approval
Description:
Large missile impact resistant aluminum clipped mullion.
Category:
Windows Mullions and Skylights
Evaluator:
Javad Ahmad - PE-70592
Validator:
Yiping Wang, P.E.
Official Site Status:
Approved
Compliance Method:
Evaluation Report from a Florida Registered Architect or a Licensed Florida Professional Engineer
Submission Date:
December 13, 2018
Validation Date:
December 14, 2018
Design Pressures:
-100psf / +100psf
Possible CSI Codes:
CSI Code: 08 55 23 - Blast-Resistant Windows
CSI Code: 10 26 23.13 - Impact Resistant Wall Protection
CSI Code: 08 63 00 - Metal-Framed Skylights
CSI Code: 08 64 00 - Plastic-Framed Skylights
CSI Code: 08 88 56 - Ballistics-Resistant Glazing
Other:
See drawing M15-04 for span vs load combinations and installation details.
Notes:
Date Submitted: December 13, 2018Date Validated: December 14, 2018Entity: Compliance Method: Evaluation Report from a Florida Registered Architect or a Licensed Florida Professional EngineerOther: See drawing M15-04 for span vs load combinations and installation details.Official Site Status: ApprovedSubcategory: Mullions
Search the National Fenestration Rating Council (NFRC) for Energy Efficiency information
Change Log effective March 1st 2023
Approval & Installation Documents
PR INSTL DOCS FL17761 R1 II SS - CLIPPED ALUM. TUBE MULLIONS (LMI) - DWGS 2018
View
Download
PR TECH DOCS FL17761 R1 AE SS - CLIPPED ALUM. TUBE MULLIONS (LMI)-PAE 2018
View
Download
Please log in & make sure your email is verified before viewing & downloading documents.
Thanks! You can now access your file with the button below.
You may also access all other files without any more popups.
Access File
A free account unlocks:
Access additional search features
Save & share searches
Search all databases at the same time
Monitor new listings
Track listing updates
Access download history
Create projects & organize approvals
Stay up to date with new features & industry news
A free account unlocks:
Save & share searches
Access additional search features
Search all databases at the same time
Monitor new listings Learn More
Track listing updates Learn More
Access download history
Create projects & organize approvals
Stay up to date with new features & industry news
Add Listing to Collection(s):
Added to favorites
Please create an account to use this feature